WELCOME TO FANGDA ELECTRIC MACHINE CO..LTD
Product details
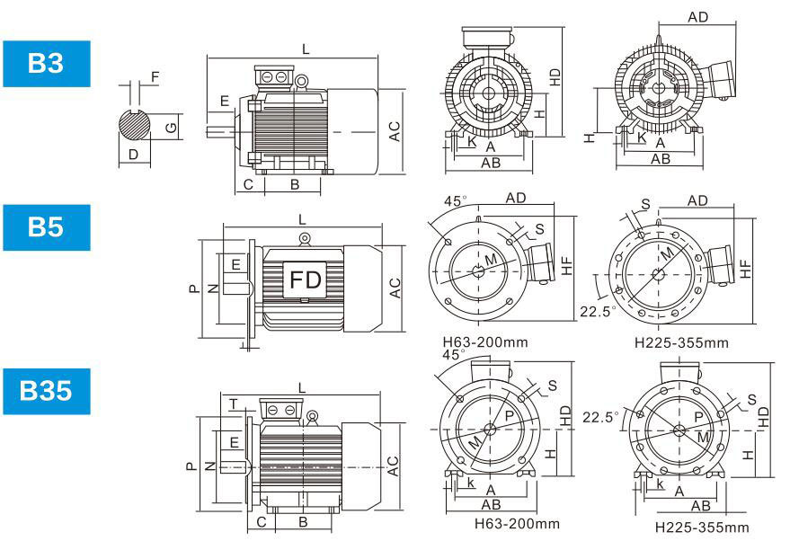
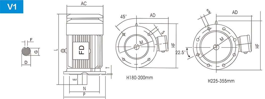
Installation Dimension
Mounting arrangements
PERFORMANCE DATA 380V 50Hz
| Type | Power kW |
Current A |
Speed r/min |
Eff % |
Power factor | Locked rotor torque Rated torque |
Locked rotor current Rated current |
Breakdown torque Rated torque |
| Synchronous speed 3000r/min | ||||||||
| YE3-63M1-2 | 0.18 | 0.53 | 2720 | 65.9 | 0.80 | 2.3 | 7.0 | 2.2 |
| YE3-63M2-2 | 0.25 | 0.69 | 2720 | 69.7 | 0.81 | 2.3 | 7.0 | 2.2 |
| YE3-71M1-2 | 0.37 | 0.99 | 2740 | 73.8 | 0.81 | 2.3 | 7.0 | 2.2 |
| YE3-71M2-2 | 0.55 | 1.4 | 2740 | 77.8 | 0.82 | 2.3 | 7.0 | 2.2 |
| YE3-80M1-2 | 0.75 | 1.8 | 2840 | 80.7 | 0.82 | 2.3 | 7.0 | 2.3 |
| YE3-80M2-2 | 1.1 | 2.6 | 2840 | 82.7 | 0.83 | 2.3 | 7.6 | 2.3 |
| YE3-90S-2 | 1.5 | 3.4 | 2845 | 84.2 | 0.84 | 2.2 | 7.9 | 2.3 |
| YE3-90L-2 | 2.2 | 4.9 | 2845 | 85.9 | 0.85 | 2.2 | 7.9 | 2.3 |
| YE3-100L-2 | 3 | 6.3 | 2860 | 87.1 | 0.87 | 2.2 | 8.5 | 2.3 |
| YE3-112M-2 | 4 | 8.1 | 2880 | 88.1 | 0.88 | 2.2 | 8.5 | 2.3 |
| YE3-132S1-2 | 5.5 | 11.0 | 2900 | 89.2 | 0.88 | 2.0 | 8.5 | 2.3 |
| YE3-132S2-2 | 7.5 | 14.9 | 2900 | 90.1 | 0.88 | 2.0 | 8.5 | 2.3 |
| YE3-160M1-2 | 11 | 21.3 | 2930 | 91.2 | 0.89 | 2.0 | 8.5 | 2.3 |
| YE3-160M2-2 | 15 | 28.8 | 2930 | 91.9 | 0.89 | 2.0 | 8.5 | 2.3 |
| YE3-160L-2 | 18.5 | 34.7 | 2930 | 92.4 | 0.89 | 2.0 | 8.5 | 2.3 |
| YE3-180M-2 | 22 | 41.0 | 2940 | 92.7 | 0.89 | 2.0 | 8.5 | 2.3 |
| YE3-200L1-2 | 30 | 55.5 | 2940 | 93.3 | 0.89 | 2.0 | 8.5 | 2.3 |
| YE3-200L2-2 | 37 | 67.9 | 2950 | 93.7 | 0.90 | 2.0 | 8.5 | 2.3 |
| YE3-225M-2 | 45 | 82.3 | 2960 | 94.0 | 0.90 | 2.0 | 8.0 | 2.3 |
| YE3-250M-2 | 55 | 100 | 2965 | 94.3 | 0.90 | 2.0 | 8.0 | 2.3 |
| YE3-280S-2 | 75 | 135 | 2970 | 94.7 | 0.90 | 2.0 | 7.5 | 2.3 |
| YE3-280M-2 | 90 | 160 | 2970 | 95.0 | 0.91 | 1.8 | 7.5 | 2.3 |
| YE3-315S-2 | 110 | 195 | 2975 | 95.2 | 0.91 | 1.8 | 7.5 | 2.3 |
| YE3-315M-2 | 132 | 233 | 2975 | 95.4 | 0.91 | 1.8 | 7.5 | 2.3 |
| YE3-315L1-2 | 160 | 279 | 2975 | 95.6 | 0.91 | 1.8 | 7.5 | 2.3 |
| YE3-315L2-2 | 200 | 348 | 2975 | 95.8 | 0.92 | 1.8 | 7.5 | 2.3 |
| YE3-355M-2 | 250 | 433 | 2980 | 95.8 | 0.92 | 1.8 | 7.5 | 2.2 |
| YE3-355L-2 | 315 | 544 | 2980 | 95.8 | 0.92 | 1.6 | 7.5 | 2.2 |
| Synchronous speed 1500r/min | ||||||||
| YE3-63M1-4 | 0.12 | 0.44 | 1310 | 64.8 | 0.73 | 2.1 | 6.6 | 2.2 |
| YE3-63M2-4 | 0.18 | 0.62 | 1310 | 69.9 | 0.74 | 2.1 | 6.6 | 2.2 |
| YE3-71M1-4 | 0.25 | 0.79 | 1330 | 73.5 | 0.75 | 2.1 | 6.6 | 2.2 |
| YE3-71M2-4 | 0.37 | 1.12 | 1330 | 77.3 | 0.75 | 2.1 | 6.6 | 2.2 |
| YE3-80M1-4 | 0.55 | 1.6 | 1390 | 80.8 | 0.75 | 2.4 | 6.6 | 2.3 |
| YE3-80M2-4 | 0.75 | 2 | 1390 | 82.5 | 0.76 | 2.3 | 6.6 | 2.3 |
| YE3-90S-4 | 1.1 | 2.9 | 1400 | 84.1 | 0.77 | 2.3 | 6.8 | 2.3 |
| YE3-90L-4 | 1.5 | 3.7 | 1400 | 85.3 | 0.81 | 2.3 | 7.0 | 2.3 |
| YE3-100L1-4 | 2.2 | 5.2 | 1420 | 86.7 | 0.82 | 2.3 | 7.6 | 2.3 |
| YE3-100L2-4 | 3 | 6.8 | 1420 | 87.7 | 0.82 | 2.3 | 7.7 | 2.3 |
| YE3-112M-4 | 4 | 8.8 | 1440 | 88.6 | 0.83 | 2.2 | 7.8 | 2.3 |
| YE3-132S-4 | 5.5 | 11.8 | 1440 | 89.6 | 0.84 | 2.0 | 7.9 | 2.3 |
| YE3-132M-4 | 7.5 | 15.6 | 1440 | 90.4 | 0.86 | 2.0 | 7.7 | 2.3 |
| YE3-160M-4 | 11 | 22.3 | 1460 | 91.4 | 0.86 | 2.0 | 7 | 2.3 |
| YE3-160L-4 | 15 | 30.1 | 1460 | 92.1 | 0.86 | 2.0 | 7.8 | 2.3 |
| YE3-180M-4 | 18.5 | 36.1 | 1470 | 92.6 | 0.86 | 2.0 | 7.9 | 2.3 |
| YE3-180L-4 | 22 | 42.7 | 1470 | 93.0 | 0.86 | 2.0 | 7.5 | 2.3 |
| YE3-200L-4 | 30 | 57.6 | 1470 | 93.6 | 0.86 | 2.0 | 7.7 | 2.3 |
| YE3-225S-4 | 37 | 69.9 | 1475 | 93.9 | 0.88 | 2.0 | 7.8 | 2.3 |
| YE3-225M-4 | 45 | 84.7 | 1475 | 94.2 | 0.89 | 2.0 | 7.8 | 2.3 |
| YE3-250M-4 | 55 | 103 | 1480 | 94.6 | 0.89 | 2.2 | 7.8 | 2.3 |
| YE3-280S-4 | 75 | 140 | 1480 | 95.0 | 0.89 | 2.0 | 7.3 | 2.3 |
| YE3-280M-4 | 90 | 167 | 1480 | 95.2 | 0.90 | 2.0 | 7.4 | 2.3 |
| YE3-315S-4 | 110 | 201 | 1480 | 95.4 | 0.90 | 2.0 | 7.4 | 2.3 |
| YE3-315M-4 | 132 | 240 | 1480 | 95.6 | 0.90 | 2.0 | 7.4 | 2.3 |
| YE3-315L1-4 | 160 | 288 | 1480 | 95.8 | 0.89 | 2.0 | 6.9 | 2.3 |
| YE3-315L2-4 | 200 | 356 | 1480 | 96.0 | 0.89 | 2.0 | 6.9 | 2.2 |
| YE3-355M-4 | 250 | 442 | 1490 | 96.0 | 0.90 | 2.0 | 7.1 | 2.2 |
| YE3-355L-4 | 315 | 556 | 1490 | 96.0 | 0.87 | 2.0 | 7.1 | 2.2 |
| Type | Power kW |
Current A |
Speed r/min |
Eff % |
Power factor | Locked rotor torque Rated torque |
Locked rotor current Rated current |
Breakdown torque Rated torque |
| Synchronous speed 1000r/min | ||||||||
| YE3-80M1-6 | 0.37 | 1.3 | 885 | 73.5 | 0.71 | 1.9 | 6 | 2.0 |
| YE3-80M2-6 | 0.55 | 1.8 | 885 | 77.2 | 0.73 | 1.9 | 6 | 2.1 |
| YE3-90S-6 | 0.75 | 2.3 | 910 | 78.9 | 0.73 | 2 | 6 | 2.1 |
| YE3-90L-6 | 1.1 | 3.2 | 910 | 81.0 | 0.74 | 2 | 6.5 | 2.1 |
| YE3-100L-6 | 1.5 | 3.9 | 920 | 82.5 | 0.74 | 2 | 6.5 | 2.1 |
| YE3-112M-6 | 2.2 | 5.6 | 935 | 84.3 | 0.74 | 2 | 6.6 | 2.1 |
| YE3-132S-6 | 3 | 7.4 | 960 | 85.6 | 0.75 | 2 | 6.8 | 2.1 |
| YE3-132M1-6 | 4 | 9.8 | 960 | 86.8 | 0.79 | 2 | 6.8 | 2.1 |
| YE3-132M2-6 | 5.5 | 12.9 | 965 | 88.0 | 0.8 | 2 | 6.8 | 2.1 |
| YE3-160M1-6 | 7.5 | 17.2 | 970 | 89.1 | 0.81 | 2 | 7.2 | 2.1 |
| YE3-160L-6 | 11 | 24.2 | 970 | 90.3 | 0.81 | 2 | 7.2 | 2.1 |
| YE3-180L-6 | 15 | 31.6 | 970 | 91.2 | 0.84 | 2 | 7.4 | 2.1 |
| YE3-200L1-6 | 18.5 | 38.6 | 980 | 91.7 | 0.85 | 2 | 6.9 | 2.1 |
| YE3-200L2-6 | 22 | 44.7 | 980 | 92.2 | 0.86 | 2 | 7.1 | 2.1 |
| YE3-225M-6 | 30 | 59.3 | 980 | 92.9 | 0.85 | 2 | 7.3 | 2.1 |
| YE3-250M-6 | 37 | 71.1 | 980 | 93.3 | 0.85 | 2 | 6.6 | 2.0 |
| YE3-280S-6 | 45 | 85.9 | 980 | 93.7 | 0.86 | 2 | 6.7 | 2.0 |
| YE3-280M-6 | 55 | 105 | 980 | 94.1 | 0.86 | 2 | 6.7 | 2.0 |
| YE3-315S-6 | 75 | 142 | 985 | 94.6 | 0.87 | 2 | 6.7 | 2.0 |
| YE3-315M-6 | 90 | 170 | 985 | 94.9 | 0.87 | 2 | 6.8 | 2.0 |
| YE3-315L1-6 | 110 | 207 | 985 | 95.1 | 0.88 | 2 | 6.8 | 2.0 |
| YE3-315L2-6 | 132 | 245 | 985 | 95.4 | 0.87 | 2 | 6.8 | 2.0 |
| YE3-355M1-6 | 160 | 338 | 990 | 95.6 | 0.88 | 1.8 | 6.8 | 2.0 |
| YE3-355M2-6 | 200 | 365 | 990 | 95.8 | 0.88 | 1.8 | 6.8 | 2.0 |
| YE3-355L-6 | 250 | 455 | 990 | 95.8 | 0.88 | 1.8 | 6.8 | 2.0 |
| Synchronous speed 750r/min | ||||||||
| YE3-80M1-8 | 0.18 | 0.88 | 645 | 58.7 | 0.67 | 1.8 | 5.9 | 2.0 |
| YE3-80M2-8 | 0.25 | 1.15 | 645 | 64.1 | 0.69 | 1.8 | 6.2 | 2.0 |
| YE3-90S-8 | 0.37 | 1.49 | 670 | 69.3 | 0.7 | 1.8 | 6.7 | 2.0 |
| YE3-90L-8 | 0.55 | 2.17 | 670 | 73.0 | 0.71 | 1.8 | 6.7 | 2.0 |
| YE3-100L1-8 | 0.75 | 2.4 | 680 | 75.0 | 0.73 | 1.8 | 6.7 | 2.0 |
| YE3-100L2-8 | 1.1 | 3.4 | 680 | 77.7 | 0.74 | 1.8 | 6.9 | 2.0 |
| YE3-112M-8 | 1.5 | 4.4 | 690 | 79.7 | 0.74 | 1.8 | 6.9 | 2.0 |
| YE3-132S2-8 | 2.2 | 6 | 705 | 81.9 | 0.75 | 1.8 | 6.9 | 2.0 |
| YE3-132M1-8 | 3 | 7.9 | 705 | 83.5 | 0.76 | 1.8 | 6.6 | 2.0 |
| YE3-160M1-8 | 4 | 10.3 | 720 | 84.8 | 0.78 | 1.9 | 6.6 | 2.0 |
| YE3-160M2-8 | 5.5 | 13.6 | 720 | 86.2 | 0.79 | 1.9 | 6.8 | 2.0 |
| YE3-160L-8 | 7.5 | 17.8 | 720 | 87.3 | 0.79 | 1.9 | 6.8 | 2.0 |
| YE3-180L-8 | 11 | 25.1 | 730 | 88.6 | 0.81 | 2 | 7 | 2.0 |
| YE3-200L-8 | 15 | 34.1 | 730 | 89.6 | 0.81 | 1.9 | 6.7 | 2.0 |
| YE3-225S-8 | 18.5 | 41.1 | 730 | 90.1 | 0.82 | 1.9 | 6.7 | 2.0 |
| YE3-250M-8 | 22 | 47.4 | 730 | 90.6 | 0.82 | 1.9 | 6.8 | 2.0 |
| YE3-280S-8 | 30 | 63.4 | 730 | 91.3 | 0.83 | 1.8 | 6.3 | 2.0 |
| YE3-280M-8 | 37 | 77.8 | 740 | 91.8 | 0.87 | 1.8 | 6.4 | 2.0 |
| YE3-315S-8 | 45 | 94.1 | 735 | 92.2 | 0.86 | 1.8 | 6.4 | 2.0 |
| YE3-315M-8 | 55 | 111 | 735 | 92.5 | 0.86 | 1.8 | 6.4 | 2.0 |
| YE3-315L1-8 | 75 | 151 | 735 | 93.1 | 0.86 | 1.8 | 6.4 | 2.0 |
| YE3-315L2-8 | 90 | 178 | 735 | 93.4 | 0.87 | 1.8 | 6.4 | 2.0 |
| YE3-355M1-8 | 110 | 217 | 735 | 93.7 | 0.88 | 1.8 | 6.4 | 2.0 |
| YE3-355M2-8 | 132 | 261 | 740 | 94.3 | 0.88 | 1.8 | 6.4 | 2.0 |
| YE3-355L-8 | 160 | 315 | 740 | 94.6 | 0.88 | 1.8 | 6.4 | 2.0 |
| Type | Power kW |
Current A |
Speed r/min |
Eff % |
Power factor | Locked rotor torque Rated torque |
Locked rotor current Rated current |
Breakdown torque Rated torque |
| Synchronous speed 600r/min | ||||||||
| YE3-315S-10 | 45 | 99.6 | 590 | 92.0 | 0.75 | 1.5 | 6 | 2 |
| YE3-315M-10 | 55 | 121 | 590 | 92.0 | 0.75 | 1.5 | 6.1 | 2 |
| YE3-315L-10 | 75 | 162 | 590 | 92.8 | 0.76 | 1.3 | 6.1 | 2 |
| YE3-355M1-10 | 90 | 230 | 590 | 93.0 | 0.78 | 1.3 | 6.1 | 2 |
| YE3-355M2-10 | 110 | 275 | 590 | 93.3 | 0.78 | 1.3 | 6.1 | 2 |
| YE3-355L-10 | 132 | 333 | 590 | 93.8 | 0.78 | 1.3 | 6.1 | 2 |
keywords:motor,purpose motor,special type motor series
OVERALL&INSTALLATION DIMENSION(mm):


| Frame | Pole | Mounting Dimension | Overall Dimension | ||||||||||||||||||||
| A | B | C | D | E | F | G | H | M | N | P | R | S | T | K | AB | AC | AD | HD | HF | L | |||
| 63M | 2.4 | 100 | 80 | 40 | 11 | 23 | 4 | 8.5 | 63 | 115 | 95 | 140 | 0 | 10 | 3 | 7 | 135 | 130 | 70 | 180 | 130 | 230 | |
| 71M | 2.4.6 | 112 | 90 | 45 | 14 | 30 | 5 | 11 | 71 | 130 | 110 | 160 | 0 | 10 | 3.5 | 7 | 150 | 145 | 80 | 195 | 145 | 255 | |
| 80M | 2.4.6.8 | 125 | 100 | 50 | 19 | 40 | 6 | 15.5 | 80 | 165 | 130 | 200 | 0 | 12 | 3.5 | 10 | 165 | 175 | 145 | 220 | 185 | 295 | |
| 90S | 2.4.6.8 | 140 | 100 | 56 | 24 | 50 | 8 | 20 | 90 | 165 | 130 | 200 | 0 | 12 | 3.5 | 10 | 180 | 195 | 155 | 250 | 195 | 320 | |
| 90L | 2.4.6.8 | 140 | 125 | 56 | 24 | 50 | 8 | 20 | 90 | 165 | 130 | 200 | 0 | 12 | 3.5 | 10 | 180 | 195 | 155 | 250 | 195 | 345 | |
| 100L | 2.4.6.8 | 160 | 140 | 63 | 28 | 60 | 8 | 24 | 100 | 215 | 180 | 250 | 0 | 15 | 4 | 12 | 205 | 215 | 180 | 270 | 245 | 385 | |
| 112M | 2.4.6.8 | 190 | 140 | 70 | 28 | 60 | 8 | 24 | 112 | 215 | 180 | 250 | 0 | 15 | 4 | 12 | 230 | 240 | 190 | 300 | 265 | 400 | |
| 132S | 2.4.6.8 | 216 | 140 | 89 | 38 | 80 | 10 | 33 | 132 | 265 | 230 | 300 | 0 | 15 | 4 | 12 | 270 | 275 | 210 | 345 | 315 | 470 | |
| 132M | 2.4.6.8 | 216 | 178 | 89 | 38 | 80 | 10 | 33 | 132 | 265 | 230 | 300 | 0 | 15 | 4 | 12 | 270 | 275 | 210 | 345 | 315 | 510 | |
| 160M | 2.4.6.8 | 254 | 210 | 108 | 42 | 110 | 12 | 37 | 160 | 300 | 250 | 350 | 0 | 19 | 5 | 15 | 320 | 330 | 255 | 420 | 385 | 615 | |
| 160L | 2.4.6.8 | 254 | 254 | 108 | 42 | 110 | 12 | 37 | 160 | 300 | 250 | 350 | 0 | 19 | 5 | 15 | 320 | 330 | 255 | 420 | 385 | 670 | |
| 180M | 2.4.6.8 | 279 | 241 | 121 | 48 | 110 | 14 | 42.5 | 180 | 300 | 250 | 350 | 0 | 19 | 5 | 15 | 355 | 380 | 280 | 455 | 430 | 700 | |
| 180L | 2.4.6.8 | 279 | 279 | 121 | 48 | 110 | 14 | 42.5 | 180 | 300 | 250 | 350 | 0 | 19 | 5 | 15 | 355 | 380 | 280 | 455 | 430 | 740 | |
| 200L | 2.4.6.8 | 318 | 305 | 133 | 55 | 110 | 16 | 49 | 200 | 350 | 300 | 400 | 0 | 19 | 5 | 19 | 395 | 420 | 305 | 505 | 480 | 770 | |
| 225S | 4.8 | 356 | 286 | 149 | 60 | 140 | 18 | 53 | 225 | 400 | 350 | 450 | 0 | 19 | 5 | 19 | 435 | 470 | 335 | 560 | 535 | 815 | |
| 225M | 2 | 356 | 311 | 149 | 55 | 110 | 16 | 49 | 225 | 400 | 350 | 450 | 0 | 19 | 5 | 19 | 435 | 470 | 335 | 560 | 535 | 820 | |
| 4.6.8 | 60 | 140 | 18 | 53 | 845 | ||||||||||||||||||
| 225M | 2 | 406 | 349 | 168 | 60 | 140 | 18 | 53 | 250 | 500 | 450 | 550 | 0 | 19 | 5 | 24 | 490 | 510 | 370 | 615 | 595 | 910 | |
| 4.6.8 | 65 | 140 | 18 | 58 | |||||||||||||||||||
| 280S | 2 | 457 | 368 | 190 | 65 | 140 | 18 | 58 | 280 | 500 | 450 | 550 | 0 | 19 | 5 | 24 | 550 | 580 | 410 | 680 | 650 | 985 | |
| 4.6.8 | 75 | 140 | 20 | 67.5 | |||||||||||||||||||
| 280M | 2 | 457 | 419 | 190 | 65 | 140 | 18 | 58 | 280 | 500 | 450 | 550 | 0 | 24 | 5 | 19 | 550 | 580 | 410 | 680 | 650 | 1035 | |
| 4.6.8.10 | 75 | 140 | 20 | 67.5 | |||||||||||||||||||
| 315S | 2 | 508 | 406 | 216 | 65 | 140 | 18 | 58 | 315 | 600 | 550 | 660 | 0 | 24 | 6 | 28 | 635 | 645 | 530 | 845 | _ | 1160 | |
| 4.6.8.10 | 80 | 170 | 22 | 71 | 1270 | ||||||||||||||||||
| 315M | 2 | 508 | 457 | 216 | 65 | 140 | 18 | 58 | 315 | 600 | 550 | 660 | 0 | 24 | 6 | 28 | 635 | 645 | 530 | 845 | _ | 1190 | |
| 4.6.8.10 | 80 | 170 | 22 | 71 | 1300 | ||||||||||||||||||
| 315L | 2 | 508 | 508 | 216 | 65 | 140 | 18 | 58 | 315 | 600 | 550 | 660 | 0 | 24 | 6 | 28 | 635 | 645 | 530 | 845 | _ | 1190 | |
| 4.6.8.10 | 80 | 170 | 22 | 71 | 1300 | ||||||||||||||||||
| 355M | 2 | 610 | 560 | 254 | 75 | 140 | 20 | 67.5 | 355 | 740 | 680 | 800 | 0 | 24 | 6 | 28 | 730 | 710 | 655 | 1010 | _ | 1500 | |
| 4.6.8.10 | 95 | 170 | 25 | 86 | 1530 | ||||||||||||||||||
| 355L | 2 | 610 | 630 | 254 | 75 | 140 | 20 | 67.5 | 355 | 740 | 680 | 800 | 0 | 24 | 6 | 28 | 730 | 710 | 655 | 1010 | _ | 1500 | |
| 4.6.8.10 | 95 | 170 | 25 | 86 | 1530 | ||||||||||||||||||

| Frame | Pole | Mounting Dimension | Overall Dimension | |||||||||||||||||||||
| A | B | C | D | E | F | G | H | M | N | P | R | S | T | K | 凸缘孔数 | AB | AC | AD | HD | HF | L | |||
| 63M | 2.4 | 110 | 80 | 40 | 11 | 23 | 4 | 8.5 | 63 | 75 | 60 | 90 | 0 | M5 | 2.5 | 7 | 4 | 135 | 130 | 70 | 180 | 130 | 230 | |
| 71M | 2.4.6 | 112 | 90 | 45 | 14 | 30 | 5 | 11 | 71 | 85 | 70 | 105 | 0 | M6 | 2.5 | 7 | 4 | 150 | 145 | 80 | 195 | 145 | 255 | |
| 80M | 2.4.6.8 | 125 | 100 | 50 | 19 | 40 | 6 | 15.5 | 80 | 100 | 80 | 120 | 0 | M6 | 3 | 10 | 4 | 165 | 175 | 145 | 214 | 185 | 295 | |
| 90S | 2.4.6.8 | 140 | 100 | 56 | 24 | 50 | 8 | 20 | 90 | 115 | 95 | 140 | 0 | M8 | 3 | 10 | 4 | 180 | 195 | 155 | 250 | 195 | 320 | |
| 90L | 2.4.6.8 | 140 | 125 | 56 | 24 | 50 | 8 | 20 | 90 | 115 | 95 | 140 | 0 | M8 | 3 | 10 | 4 | 180 | 195 | 155 | 250 | 195 | 345 | |
| 100L | 2.4.6.8 | 160 | 140 | 63 | 28 | 60 | 8 | 24 | 100 | 130 | 110 | 160 | 0 | M8 | 3.5 | 12 | 4 | 205 | 215 | 180 | 270 | 245 | 385 | |
| 112M | 2.4.6.8 | 190 | 140 | 70 | 28 | 60 | 8 | 24 | 112 | 130 | 110 | 160 | 0 | M8 | 3.5 | 12 | 4 | 230 | 240 | 190 | 300 | 265 | 400 | |

| Frame | Pole | Mounting Dimension/Overall Dimension | |||||||||||||||
| A | B | C | D | E | F | G | H | K | AB | AD | HD | L | |||||
| 400 | 2 | 686士1.75 | 710士1.74 | 280士4.0 | 85+0.035 +0.013 |
170土0.50 | 0 22-0.052 |
0 76-0.2 |
0 400-1.0 |
35 | 820 | 900 | 1255 | 1960 | |||
| 4-12 | 120+0.035 +0.013 |
210士0.50 | 0 32-0.052 |
0 109-0.2 |
2000 | ||||||||||||
| 450 | 2 | 800士1.75 | 1000土1.75 | 280士4.0 | 95+0.035 +0.013 |
170土0.50 | 0 25-0.052 |
0 86-0.2 |
0 450-1.0 |
42 | 1000 | 930 | 1370 | 2260 | |||
| 4-12 | 130+0.035 +0.013 |
210士0.50 | 0 32-0.052 |
0 119-0.2 |
2300 | ||||||||||||

| Frame | Pole | Mounting Dimension/Overall Dimension | ||||||||||||||||||
| A | B | C | D | E | F | G | H | M | N | P | R | S | T | K | AB | AD | HD | L | ||
| 400 | 2 | 686士1.75 | 710士1.74 | 280士4.0 | 85+0.035 +0.013 |
170土0.50 | 0 22-0.052 |
0 76-0.2 |
0 400-1.0 |
940 | 880 | 100 | 0士4.0 | 85+0.5 0 |
0 6-0.15 |
35 | 820 | 900 | 1255 | 1960 |
| 4-12 | 120+0.035 +0.013 |
210士0.50 | 0 32-0.052 |
0 109-0.2 |
2000 | |||||||||||||||
| 450 | 2 | 800士1.75 | 1000土1.75 | 280士4.0 | 95+0.035 +0.013 |
170土0.50 | 0 25-0.052 |
0 86-0.2 |
0 450-1.0 |
1080 | 1000 | 1150 | 42 | 1000 | 930 | 1370 | 2260 | |||
| 4-12 | 130+0.035 +0.013 |
210士0.50 | 0 32-0.052 |
0 119-0.2 |
2300 | |||||||||||||||

| Frame | Pole | Mounting Dimension/Overall Dimension | ||||||||||||||||||
| D | E | F | G | M | N | P | R | S | T | AD | L | |||||||||
| 400 | 2 | 85+0.035 +0.013 |
170土0.50 | 0 22-0.052 |
0 76-0.2 |
940 | 880 | 1000 1150 |
0士4.0 | 25+0.5 0 |
0 6-0.15 |
900 | 1960 | |||||||
| 4-12 | 120 | 210士0.50 | 0 32-0.052 |
0 109-0.2 |
2000 | |||||||||||||||
| 450 | 2 | 95+0.035 +0.013 |
170土0.50 | 0 25-0.052 |
0 86-0.2 |
1080 | 1000 | 930 | 2260 | |||||||||||
| 4-12 | 130+0.035 +0.013 |
210士0.50 | 0 32-0.052 |
0 119-0.2 |
2300 | |||||||||||||||
Conventional mounting type and suitable frame size :
| Frame | Basic Type | DerivedType | |||||||||||||
| V3 | V5 | V6 | B6 | B7 | B8 | V15 | V36 | B14 | B34 | V18 | |||||
| 63~112 | √ | √ | √ | √ | √ | √ | √ | √ | √ | √ | √ | ||||
| 132~160 | √ | √ | √ | √ | √ | √ | √ | √ | - | - | - | ||||
| 180~280 | - | - | - | - | - | - | - | - | - | - | - | ||||
| 315~355 | - | √ | - | - | - | - | - | - | - | - | - | ||||
Note "√" indicates the structure type that can be manufactured
YE3 Series Three Phase Induction Motor
Product application areas:
GeneraI purpose including cutting machines, pumps, fans, conveyors, machines tools of farm duty and food process.
Product features:
High efficiency and energy saving, low noise and little vibration. lnsulation class: F;Protection class:IP54 or IP55.
Conditions of Use: The altitude does not exceed 1000M. The ambient temperature changes with the seasons, but the highest does not exceed +40℃,and the lowest does not fall below -15℃.
Conditions of Use: The altitude does not exceed 1000M. The ambient temperature changes with the seasons, but the highest does not exceed +40℃,and the lowest does not fall below -15℃.
Categories:
