WELCOME TO FANGDA ELECTRIC MACHINE CO..LTD

Product details
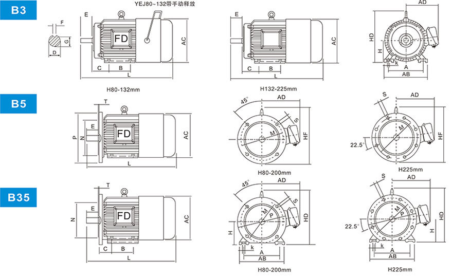
Installation Dimension
Mounting arrangements
PERFORMANCE DATA 380V 50Hz
Type | Power kW |
Full Load | Locked rotor torque Rated torque |
Locked rotor current Rated current |
Breakdown torque Rated torque |
|||
Current A |
Speed r/min |
Eff % |
Power factor | |||||
Synchronous speed 3000r/min | ||||||||
YEJ801-2 | 0.75 | 1.8 | 2825 | 75.0 | 0.84 | 2.2 | 6.5 | 2.3 |
YEJ802-2 | 1.1 | 2.5 | 2825 | 77.0 | 0.86 | 2.2 | 7.0 | 2.3 |
YEJ90S-2 | 1.5 | 3.4 | 2840 | 78.0 | 0.85 | 2.2 | 7.0 | 2.3 |
YEJ90L-2 | 2.2 | 4.8 | 2840 | 80.5 | 0.86 | 2.2 | 7.0 | 2.3 |
YEJ100L-2 | 3 | 6.4 | 2880 | 82.0 | 0.87 | 2.2 | 7.0 | 2.3 |
YEJ112M-2 | 4 | 8.2 | 2890 | 85.5 | 0.87 | 2.2 | 7.0 | 2.3 |
YEJ132S1-2 | 5.5 | 11.1 | 2900 | 85.5 | 0.88 | 2.0 | 7.0 | 2.3 |
YEJ132S2-2 | 7.5 | 15.0 | 2900 | 86.2 | 0.88 | 2.0 | 7.0 | 2.3 |
YEJ160M1-2 | 11 | 21.8 | 2930 | 87.2 | 0.88 | 2.0 | 7.0 | 2.3 |
YEJ160M2-2 | 15 | 29.4 | 2930 | 88.2 | 0.88 | 2.0 | 7.0 | 2.2 |
YEJ160L-2 | 18.5 | 35.5 | 2930 | 89.0 | 0.89 | 2.0 | 7.0 | 2.2 |
YEJ180M-2 | 22 | 42.2 | 2940 | 89.0 | 0.89 | 2.0 | 7.0 | 2.2 |
YEJ200L1-2 | 30 | 56.9 | 2950 | 90.0 | 0.89 | 2.0 | 7.0 | 2.2 |
YEJ200L2-2 | 37 | 69.8 | 2950 | 90.5 | 0.89 | 2.0 | 7.0 | 2.2 |
YEJ225M-2 | 45 | 84.0 | 2970 | 91.5 | 0.89 | 2.0 | 7.0 | 2.2 |
Synchronous speed 1500r/min | ||||||||
YEJ801-4 | 0.55 | 1.5 | 1390 | 73.0 | 0.76 | 2.4 | 6.0 | 2.3 |
YEJ802-4 | 0.75 | 2 | 1390 | 74.5 | 0.76 | 2.3 | 6.0 | 2.3 |
YEJ90S-4 | 1.1 | 2.7 | 1400 | 78.0 | 0.78 | 2.3 | 6.5 | 2.3 |
YEJ90L-4 | 1.5 | 3.7 | 1400 | 79.0 | 0.79 | 2.3 | 6.5 | 2.3 |
YEJ100L1-4 | 2.2 | 5 | 1420 | 81.0 | 0.82 | 2.2 | 7.0 | 2.3 |
YEJ100L2-4 | 3 | 6.8 | 1420 | 82.5 | 0.81 | 2.2 | 7.0 | 2.3 |
YEJ112M-4 | 4 | 8.8 | 1440 | 84.5 | 0.82 | 2.2 | 7.0 | 2.3 |
YEJ132S-4 | 5.5 | 11.6 | 1440 | 85.5 | 0.84 | 2.2 | 7.0 | 2.3 |
YEJ132M-4 | 7.5 | 15.4 | 1440 | 87.0 | 0.85 | 2.2 | 7.0 | 2.3 |
YEJ160M-4 | 11 | 22.6 | 1460 | 88.0 | 0.84 | 2.2 | 7.0 | 2.3 |
YEJ160L-4 | 15 | 30.0 | 1460 | 88.5 | 0.85 | 2.2 | 7.0 | 2.2 |
YEJ180M-4 | 18.5 | 35.9 | 1470 | 91.0 | 0.86 | 2.0 | 7.0 | 2.2 |
YEJ180L-4 | 22 | 42.5 | 1470 | 91.5 | 0.86 | 2.0 | 7.0 | 2.2 |
YEJ200L-4 | 30 | 58.8 | 1470 | 92.2 | 0.87 | 2.0 | 7.0 | 2.2 |
YEJ225S-4 | 37 | 70.4 | 1480 | 91.8 | 0.87 | 1.9 | 7.0 | 2.2 |
YEJ225M-4 | 45 | 84.2 | 1480 | 92.3 | 0.88 | 1.9 | 7.0 | 2.2 |
Type | Power kW |
Full Load | Locked rotor torque Rated torque |
Locked rotor current Rated current |
Breakdown torque Rated torque |
|||
Current A |
Speed r/min |
Eff % |
Power factor | |||||
Synchronous speed 1000r/min | ||||||||
YEJ90S-6 | 0.75 | 2.3 | 910 | 72.5 | 0.7 | 2.0 | 5.5 | 2.2 |
YEJ90L-6 | 1.1 | 3.2 | 910 | 73.5 | 0.72 | 2.0 | 5.5 | 2.2 |
YEJ100L-6 | 1.5 | 4.0 | 940 | 77.5 | 0.74 | 2.0 | 6.0 | 2.2 |
YEJ112M-6 | 2.2 | 5.6 | 960 | 80.5 | 0.74 | 2.0 | 6.0 | 2.2 |
YEJ132S-6 | 3 | 7.2 | 960 | 83.5 | 0.76 | 2.0 | 6.0 | 2.2 |
YEJ132M1-6 | 4 | 9.4 | 960 | 84.0 | 0.77 | 2.0 | 6.5 | 2.2 |
YEJ132M2-6 | 5.5 | 12.6 | 960 | 85.3 | 0.78 | 2.0 | 6.5 | 2.0 |
YEJ160M-6 | 7.5 | 17.0 | 970 | 86.0 | 0.78 | 2.0 | 6.5 | 2.0 |
YEJ160L-6 | 11 | 24.6 | 970 | 87.0 | 0.78 | 2.0 | 6.5 | 2.0 |
YEJ180L-6 | 15 | 31.4 | 970 | 89.5 | 0.81 | 1.8 | 6.5 | 2.0 |
YEJ200L1-6 | 18.5 | 37.7 | 980 | 89.8 | 0.83 | 1.8 | 6.5 | 2.0 |
YEJ200L2-6 | 22 | 44.6 | 980 | 90.2 | 0.86 | 1.8 | 6.5 | 2.0 |
YEJ225M-6 | 30 | 59.3 | 980 | 90.2 | 0.85 | 1.7 | 6.5 | 2.0 |
Synchronous speed 750r/min | ||||||||
YEJ132S-8 | 2.2 | 5.8 | 710 | 80.0 | 0.71 | 2.0 | 5.5 | 2.0 |
YEJ132M1-8 | 3 | 7.7 | 710 | 82.5 | 0.72 | 2.0 | 5.5 | 2.0 |
YEJ132M2-8 | 4 | 9.9 | 720 | 84.0 | 0.73 | 2.0 | 6.0 | 2.0 |
YEJ160M-8 | 5.5 | 13.3 | 720 | 85.0 | 0.74 | 2.0 | 6.0 | 2.0 |
YEJ160L-8 | 7.5 | 17.7 | 720 | 86.0 | 0.75 | 2.0 | 5.5 | 2.0 |
YEJ180L-8 | 11 | 24.8 | 730 | 87.5 | 0.77 | 1.7 | 6.0 | 2.0 |
YEJ200L1-8 | 15 | 34.1 | 730 | 88.0 | 0.76 | 1.8 | 6.0 | 2.0 |
YEJ200L2-8 | 18.5 | 41.3 | 735 | 89.5 | 0.76 | 1.7 | 6.0 | 2.0 |
YEJ225M-8 | 22 | 47.6 | 735 | 90.0 | 0.78 | 1.8 | 6.0 | 2.0 |
TECHNICAL DATA OF THE BRAKE
Frame | Sroke of the Armature mm |
No-load braking time s |
Braking Torque N.m |
Excitation Voltage V |
Brake Excitation Power W |
YEJ80 | 1.0 | 0.20 | 7.5 | 99 | 50 |
YEJ90 | 1.0 | 0.20 | 15 | 99 | 60 |
YEJ100 | 1.0 | 0.20 | 30 | 99 | 80 |
YEJ112 | 1.0 | 0.25 | 40 | 170 | 110 |
YEJ132 | 1.2 | 0.25 | 75 | 170 | 130 |
YEJ160 | 1.2 | 0.35 | 150 | 170 | 150 |
YEJ180 | 1.2 | 0.35 | 200 | 170 | 150 |
YEJ200 | 1.5 | 0.45 | 300 | 170 | 200 |
YEJ225 | 1.5 | 0.45 | 450 | 170 | 200 |
OVERALL&INSTALLATION DIMENSION(mm):

Frame | Pole | Mounting Dimension | Overall Dimension | ||||||||||||||||||
A | B | C | D | E | F | G | H | K | M | N | P | S | T | AB | AC | AD | HD | HF | L | ||
80 | 2.4 | 125 | 100 | 50 | 19 | 40 | 6 | 15.5 | 80 | 10 | 165 | 130 | 200 | 12 | 3.5 | 165 | 175 | 150 | 175 | 185 | 390 |
90S | 2.4.6 | 140 | 100 | 56 | 24 | 50 | 8 | 20 | 90 | 10 | 165 | 130 | 200 | 12 | 3.5 | 180 | 195 | 160 | 195 | 195 | 420 |
90L | 2.4.6.8 | 140 | 125 | 56 | 24 | 50 | 8 | 20 | 90 | 10 | 165 | 130 | 200 | 12 | 3.5 | 180 | 195 | 160 | 195 | 195 | 445 |
100L | 2.4.6.8 | 160 | 140 | 63 | 28 | 60 | 8 | 24 | 100 | 12 | 215 | 180 | 250 | 15 | 4 | 205 | 215 | 180 | 245 | 245 | 480 |
112M | 2.4.6.8 | 190 | 140 | 70 | 28 | 60 | 8 | 24 | 112 | 12 | 215 | 180 | 250 | 15 | 4 | 245 | 240 | 190 | 265 | 265 | 510 |
132S | 2.4.6.8 | 216 | 140 | 89 | 38 | 80 | 10 | 33 | 132 | 12 | 265 | 230 | 300 | 15 | 4 | 280 | 275 | 210 | 315 | 315 | 585 |
132M | 2.4.6.8 | 216 | 178 | 89 | 38 | 80 | 10 | 33 | 132 | 12 | 265 | 230 | 300 | 15 | 4 | 280 | 275 | 210 | 315 | 315 | 625 |
160M | 2.4.6.8 | 254 | 210 | 108 | 42 | 110 | 12 | 37 | 160 | 15 | 300 | 250 | 350 | 19 | 5 | 330 | 335 | 265 | 385 | 385 | 720 |
160L | 2.4.6.8 | 254 | 254 | 108 | 42 | 110 | 12 | 37 | 160 | 15 | 300 | 250 | 350 | 19 | 5 | 330 | 335 | 265 | 385 | 385 | 765 |
180M | 2.4.6.8 | 279 | 241 | 121 | 48 | 110 | 14 | 42.5 | 180 | 15 | 300 | 250 | 350 | 19 | 5 | 355 | 380 | 285 | 400 | 430 | 825 |
180L | 2.4.6.8 | 279 | 279 | 121 | 48 | 110 | 14 | 42.5 | 180 | 15 | 300 | 250 | 350 | 19 | 5 | 355 | 380 | 285 | 400 | 430 | 875 |
200L | 2.4.6.8 | 318 | 305 | 133 | 55 | 110 | 16 | 49 | 200 | 19 | 350 | 300 | 400 | 19 | 5 | 395 | 420 | 315 | 475 | 480 | 900 |
225S | 2.4.6.8 | 356 | 286 | 149 | 60 | 140 | 18 | 53 | 225 | 19 | 400 | 350 | 450 | 19 | 5 | 430 | 475 | 345 | 530 | 535 | 1000 |
225M | 2 | 365 | 311 | 149 | 55 | 110 | 16 | 49 | 225 | 19 | 400 | 350 | 450 | 19 | 5 | 430 | 475 | 345 | 530 | 535 | 1000 |
4.6.8 | 60 | 140 | 18 | 53 | 1030 |
Conventional mounting type and suitable frame size are given in following table
Frame | Basic Type | DerivedType | ||||
B3 | B5 | B35 | V6 | V7 | V8 | |
80~160 | √ | √ | √ | √ | √ | √ |
180~225 | √ | √ | √ | - | - | - |
Note "√" indicates the structure type that can be manufactured

YEJ Series AC Squirrel-Cage Brake Motor
Product application areas:
Widely used on mechanical equipment and driving machines where rapidly and accurate braking is demanded.
Product features:
Spring set brake. Power off operation manual release. Resets automatically. One-half period rectification.
Categories: